Выберите свой город
Всего 150 городов
17 лет
на рынке
200 и более
объектов построено
3 года гарантии
на все работы
РАССЧИТАЙТЕ СТОИМОСТЬ
+7 (800) 551-30-22 Номер телефона в Чебоксарах
Ваш город: Чебоксары
3D визуализация Проект СТО из сэндвич-панелей - фото 1
/

Проект СТО из сэндвич-панелей

от 20 160 000 руб
Как построить
дешевле?
Построить дешевле можно только
сэкономив на экспертности
подрядчика и качестве здания.
Подробнее
Рассчитайте
точную стоимость строительства
Назначение: 
Автомойки, автосервисы, гаражи, СТО, боксы
Регион: 
Свердловская область
Свердловская область , Серов
Площадь: 
576.00
Этажность: 
1
Срок строительства: 
от 3 месяцев
Срок службы: 
от 25 лет
Цвета: 
серый, синий
Мы можем построить здание, скомбинировав любые цвета:
Схема оплаты: 
40-40-20 (нал/безнал)
40% — аванс. После получения аванса начинаем проектировать, изготавливать металло-конструкции, получаем всю разрешительную документацию.
40% — второй платеж.
Оплачивается после изготовления конструкции, проекта, получения разрешения на строительство.
20% — окончательный платеж.
Производится после завершения строительства при подписании акта выполненных работ.
В отдельных случаях готовы рассмотреть другие варианты оплаты.
Подробнее
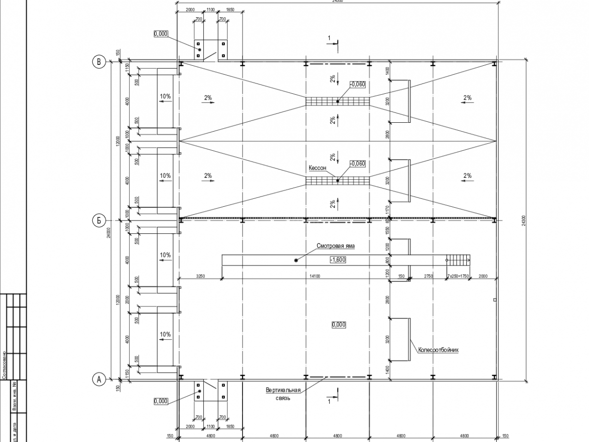
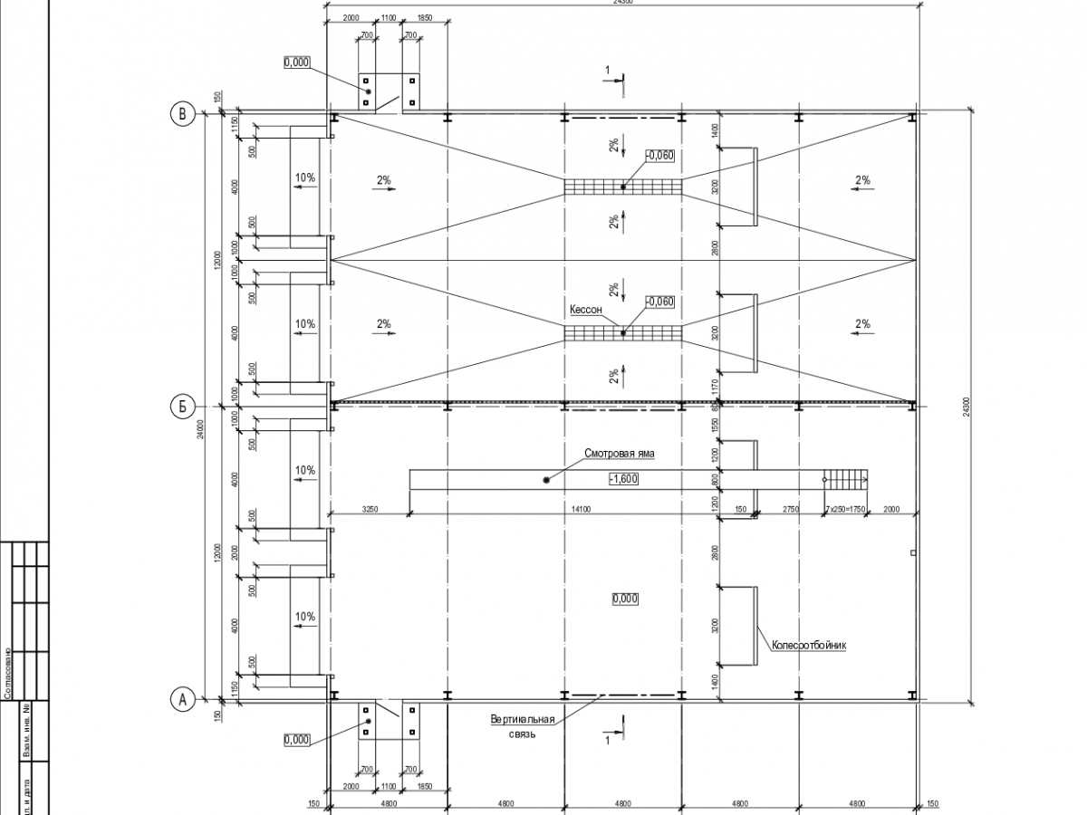
Планировка Проект СТО из сэндвич-панелей -  фото 1
Планировка Проект СТО из сэндвич-панелей -  фото 2
/
3D визуализация Проект СТО из сэндвич-панелей - фото 1
3D визуализация Проект СТО из сэндвич-панелей - фото 2
3D визуализация Проект СТО из сэндвич-панелей - фото 3
3D визуализация Проект СТО из сэндвич-панелей - фото 4
3D визуализация Проект СТО из сэндвич-панелей - фото 5
3D визуализация Проект СТО из сэндвич-панелей - фото 6
3D визуализация Проект СТО из сэндвич-панелей - фото 7
3D визуализация Проект СТО из сэндвич-панелей - фото 8
3D визуализация Проект СТО из сэндвич-панелей - фото 9
3D визуализация Проект СТО из сэндвич-панелей - фото 10
3D визуализация Проект СТО из сэндвич-панелей - фото 11
3D визуализация Проект СТО из сэндвич-панелей - фото 12
3D визуализация Проект СТО из сэндвич-панелей - фото 13
3D визуализация Проект СТО из сэндвич-панелей - фото 14
3D визуализация Проект СТО из сэндвич-панелей - фото 15
/

Мы включаем в начальную стоимость всё

за что наши коллеги потребуют с Вас деньги в процессе строительства
  • Аудит участка перед покупкой (предупредим, если на нем есть ограничения по строительству)
  • Согласование с администрацией
  • Кадастровые работы по постановке на учёт
  • Регистрация права собственности
  • Проектирование высококлассными инженерами со стажем от 17 лет
  • Получение разрешения на строительство
  • Получение необходимых технических условий
  • Аренда спецтехники
  • Система снегозадержания
  • Система отливов
  • Online видеонаблюдение за объектом
  • Фундамент
  • Металлокаркас
  • Покраска металлоконструкций
  • Стены и кровля
  • Покупка и установка окон и дверей
  • Работы по наливным полам
  • Ввод в эксплуатацию
calc
Стоимость всего перечисленного
Вы можете узнать прямо сейчас
Рассчитайте
точную стоимость строительства

6 причин в пользу строительства с нами

Вся информация о нас
Причины работать с Альянс-Киров
Без дополнительных затрат
в процессе строительства
Причины работать с Альянс-Киров
Выберите готовый проект
или закажите разработку
чертежей под ключ
Причины работать с Альянс-Киров
Подберём участок и оформим
документы на строительство
Причины работать с Альянс-Киров
Следите за строительством
здания
в прямом эфире
Причины работать с Альянс-Киров
80% клиентов
приходят по рекомендации
Причины работать с Альянс-Киров
От 25 лет прослужат здания
при правильной эксплуатации

Видео-обзоры других построенных нами зданий

Смотрите все видео
Видео-обзор объекта Альянс-Строй Киров
Видео о нашей компании
Подробнее о компании
Видео-обзор объекта Альянс-Строй Киров
Обзор грузового СТО
Перейти к проекту
Видео-обзор объекта Альянс-Строй Киров
Обзор здания СТО
Перейти к проекту
Видео-обзор объекта Альянс-Строй Киров
Обзор магазина
Перейти к проекту

Отвечаем на Ваши вопросы

Смотрите ответы на другие вопросы
Почему строительство быстровозводимого здания СК "Альянс" стоит дороже, чем у других компаний?

Как правильно сравнить цены на строительство зданий от разных подрядчиков? Когда мы начинаем сравнивать предложения по стоимости здания, все сводится к банальной стоимости одного квадратного метра. Это неправильно. В стоимость квадратного метра каждая солидная организация вкладывает свой определенный набор выполненных работ. У кого -то это фундаменты, стены и крыша, у кого-то туда входят полы, у кого-то входят окна, у кого-то ничего туда не входит. Соответственно, когда мы начинаем выбирать подрядчика и выбирать по коммерческим предложениям за стоимость квадратного метра, нужно четко понимать, а что входит в стоимость этого квадратного метра.

Смотреть видео
Сколько стоит строительство здания из сэндвич-панелей и какие есть подводные камни?

У нас есть преимущество, о котором мало кто задумывается, когда выбирают подрядчика. Это стоимость здания, и из чего она складывается. Обычно стоимость здания считают, складывая материалы, затраты на рабочих и на технику. Но это не все. Мы можем построить дешевле, потому что будем строить быстрее. Это значит, что деньги, которые наши клиенты вкладывают в здание, начнут приносить дивиденды намного быстрее, чем при строительстве из других материалов или с другими компаниями.

Смотреть видео
Почему строительство быстровозводимых зданий нужно доверять СК "Альянс"?

Самое первое наше преимущество - это доверие, доверие наших клиентов, которое мы не можем обмануть.

Второе — собственное проектирование. Мы сами проектируем, сами строим. Соответственно, мы берем ответственность за все этапы строительства и проектирования. Т.е. если завтра произойдет какая-то ошибка или брак, если в эксплуатации что-либо спроектировано, либо было построено неправильно, вы знаете куда обратиться. У вас была одна организация, соответственно, ответственность за здание будем нести мы единолично.

Третье преимущество - это сроки строительства. Мы можем вести несколько процессов параллельно. Мы можем одновременно проектировать, начинать изготавливать металлоконструкции и выезжать делать готовые фундаменты. Все это сокращает сроки.

Смотреть видео
В какое время года лучше начинать строительство быстровозводимых зданий?

Обычно строят с начала весны до поздней осени. Но нужно учитывать некоторые моменты:
- закрытие дорог по весне;
- проливные дожди осенью и весной.

Все это всегда приводит к увеличению сроков строительства. Наша компания строит круглый год, в том числе и зимой.

Смотреть видео
Какой срок службы быстровозводимых зданий?

Давайте поговорим про срок службы быстровозводимых зданий. Это непростой вопрос, на который ответить за секунду нельзя.

Срок службы здания будет определяться многими факторами. Основные из них:
1. Правильное проектирование;
2. Строительство и качество материалов;
3. Эксплуатация здания.

Смотреть видео
Какие сроки строительства быстровозводимых зданий?

Давайте разберемся, что может повлиять на срок строительства нашего быстровозводимого здания.

Технология быстровозводимых зданий - самая быстрая, которую на сегодняшний день придумало человечество. Если мы будем сравнивать с технологией строительства из других материалов: кирпич, монолитный бетон, дерево, то мы при строительстве сэндвич-панелей гораздо быстрее построим одно и то же здание. Почему?
- Во-первых, затратим меньше времени на фундамент, потому что здание легкое, самое легкое из всех зданий. Потому как сэндвич-панели сами по себе как стеновой материал намного легче, чем кирпич, бетон или дерево.
- Металлокаркас собирается за считанные дни, потому что он подготовлен на заводе металлоконструкций и его нужно только лишь смонтировать и собрать как конструктор. Потом идет навеска панелей, затем устройство кровли.

Тем самым, если сравнить со зданием в 500 кв.м. из кирпича, которое будет строиться год - мы построим быстровозводимое здание за 3 месяца.

Смотреть видео
Задайте
свой вопрос
Мы перезвоним и подробно
проконсультируем по нему.
Это абсолютно бесплатно.
Отправляя заявку вы принимаете нашу
политику защиты персональных данных

Каждый сотрудник компании "Альянс" старается упростить Вам жизнь!

Директор Альянс-Строй Киров
Первым делом посмотрите 1-минутное видео-обращение
нашего директора Якова Митрофанова
Директор Альянс-Строй Киров
«Мы не просто строим — мы инвестируем в успех вашего бизнеса, ведь наши интересы едины: каждый реализованный проект — это общий путь к процветанию.»
Директор Подпись Альянс-Строй Киров
Митрофанов Яков
Собственник СК «Альянс»

Отзывы наших клиентов — ведущих компаний России

Смотрите все отзывы
Отзыв клиента №1
Отзыв клиента №1
Отзыв клиента №1
Отзыв клиента №1
/
Фотография отзыва
Фотография отзыва
Фотография отзыва
Фотография отзыва

Отзыв компании
ООО «Кирово-Чепецкий завод Агрохимикат»

Кировская обл. г.Кирово-Чепецк
Фото пользователя №4
B.H. Александров
Директор
Сотрудничество между 000 «Кирово-Чепецкий завод «Агрохимикат» и строительной компанией «Альянс» началось в 2011 году и продолжается в настоящее время. За период сотрудничества перед нашими партнерами из строительной компании «Альянс» ставились вопросы связанные не только c реконструкцией наших объектов, но и c проектирование и последующим строительством производственных и складских объектов недвижимости на нашем предприятии.
Читать отзыв
Отзыв клиента №1
Отзыв клиента №1
Отзыв клиента №1
Отзыв клиента №1
/
Фотография отзыва
Фотография отзыва
Фотография отзыва
Фотография отзыва

Отзыв компании
ИП «Силютин М.Ю.»

Нижегородская область, р.п. Воскресенское
Фото пользователя №1
Максим Юрьевич Силютин
Руководитель предприятия
Здравствуйте! Меня зовут Максим! Я индивидуальный предприниматель. Занимаюсь розничной торговлей хоз. товарами. Я несколько лет арендую торговые площади, поэтому давно мечтал построить свой магазин. В течение года выбирал строительную компанию. Из пяти вариантов остановил свой выбор на ООО «АЛЬЯНС», так как деятельность этой компании показалась мне более прозрачной. Ожидания не заставили себя долго ждать. Компания «АЛЬЯНС» помогла мне максимально быстро получить разрешение на строительство и сразу же приступила непосредственно к самому строительству.
Читать отзыв
Отзыв клиента №1
Отзыв клиента №1
Отзыв клиента №1
Отзыв клиента №1
/
Фотография отзыва
Фотография отзыва
Фотография отзыва
Фотография отзыва

Отзыв компании
«Птицефабрика Зеленецкая»

Республика КОМИ, г. Ухта, ул. Железнодорожная
Фото пользователя №2
Николай Михайлович Черный
Руководитель предприятия
С ООО «Альянс» начали сотрудничать в 2013 году. В компании работают квалифицированные специалисты, способные предложить оптимальные решения и быстро реагировать на изменения ситуации. В компании работают квалифицированные специалисты, способные предложить оптимальные решения и быстро реагировать на изменения ситуации.
Читать отзыв
Отзыв клиента №1
Отзыв клиента №1
Отзыв клиента №1
/
Фотография отзыва
Фотография отзыва
Фотография отзыва

Отзыв компании
«Леспромсервис»

Республика Коми, с. Выльгорт
Фото пользователя №3
Екимовский Николай Васильевич
Директор
Компания достаточно профессиональна. Мой выбор определили: цена, опыт работы компании – я располагал информацией по объектам, которые они построили. И, в-третьих – отношение руководителя компании «Альянс» к своим клиентам, который подошел к решению моей задачи с полным пониманием, искренне и заинтересованно.
Читать отзыв

У нас есть все необходимые документы и свидетельства

Допуски СРО на проектирование
Допуски СРО на проектирование
Допуски СРО на проектирование
Допуски СРО на проектирование
Допуски СРО на проектирование
Допуски СРО на проектирование
Допуски СРО на проектирование
Допуски СРО на строительство
Допуски СРО на строительство
Допуски СРО на строительство
Допуски СРО на строительство
Допуски СРО на строительство
Допуски СРО на строительство
Допуски СРО на строительство
Допуски СРО на строительство
Допуски СРО на строительство
Допуски СРО на строительство
Допуски СРО на строительство
Допуски СРО на строительство
Допуски СРО на строительство
Cертификаты и удостоверения
Cертификаты и удостоверения
Cертификаты и удостоверения
Cертификаты и удостоверения
СОУТ
СОУТ
СОУТ
СОУТ
СОУТ
СОУТ
СОУТ
СОУТ
Только до 17 сентября
15:40:12
Нет проекта?
Разработаем проект бесплатно
Вы получите
эскиз и смету
в подарок!
Заказать бесплатный проект
Есть проект?
Закажите бесплатный аудит проекта
Снизим
стоимость
строительства
Повысим
качество
здания
Заказать бесплатный проект

Заполните данные и мы перезвоним Вам